EN 593 Concentric Butterfly Valves, A216 WCB, DN300, PN10

Key Specifications / Features
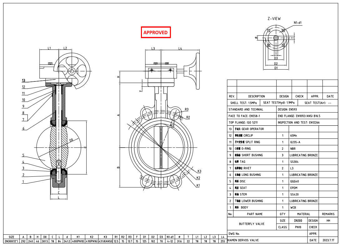
The DN300 PN10 concentric butterfly valve is designed per EN 593 standards, featuring a robust ASTM A216 WCB body. With a midline structure and a compact structural length of 82mm, it ensures efficient flow control. The valve's wafer connection allows for easy installation, while the turbine operation mode provides smooth and precise actuation. This design makes it a reliable and versatile choice for various industrial applications.
- Model No.: Kelly-BTV-20241206-02
- Hits: 23
- Categories: Butterfly Valve
- Tags: EN 593 Butterfly Valve , Concentric Butterfly Valve , ASTM A216 WCB Butterfly Valve
Detail Information
Concentric Butterfly Valve, EN 593, ASTM A216 WCB, Wafer.

Features
1. Compact and Lightweight Design:
Engineered with a streamlined structure and minimal components, this valve is lightweight and ideal for systems with limited installation space.
2. Optimized Flow Efficiency:
Featuring a streamlined flow passage, the valve minimizes fluid resistance, enhancing energy efficiency during operation.
Technical Drawing

Dimension Checking

Pressure Testing

Nameplate & Packing

Inspection Report
1. Compact and Lightweight Design:
Engineered with a streamlined structure and minimal components, this valve is lightweight and ideal for systems with limited installation space.
2. Optimized Flow Efficiency:
Featuring a streamlined flow passage, the valve minimizes fluid resistance, enhancing energy efficiency during operation.
Technical Drawing

Dimension Checking

Pressure Testing

Nameplate & Packing

Inspection Report




Products
Butterfly Valve
Back to List



