EN 593 Triple Eccentric Butterfly Valve, WCB, DN300, PN40

Key Specifications / Features
We Provide Triple Eccentric Butterfly Valves, ASTM A216 WCB Butterfly Valves, DN300, PN40, EN 593, Triple Eccentric, Biaxial Pressure, RF, and Turbine Operation.
- Hits: 21
- Categories: Butterfly Valve
- Tags: EN 593 Butterfly Valve , Triple Eccentric Butterfly Valve , ASTM A216 WCB Butterfly Valve
Detail Information
DN300 PN40 Triple Eccentric Butterfly Valve WCB
Introduction
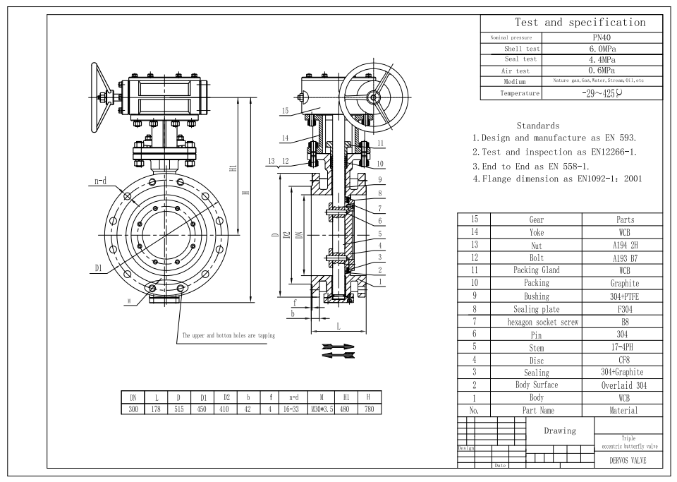
DN300 PN40 butterfly valve is made according to EN 593 standards. The valve body is made of WCB. It has the structural characteristics of triple eccentric and biaxial pressure. Its connection mode is RF. And it has turbine operation mode.
Features
1. Reduce the opening and closing torque of the valve, and the opening and closing speed is very fast;
2. The friction coefficient between the sealing surface of the valve body and the butterfly plate is small, which reduces the wear of the sealing surface and extends the service life of the valve.
Technical Drawing

Dimension Checking

Pressure Testing

Painting

Nameplate & Packing

Inspection report




Introduction
DN300 PN40 butterfly valve is made according to EN 593 standards. The valve body is made of WCB. It has the structural characteristics of triple eccentric and biaxial pressure. Its connection mode is RF. And it has turbine operation mode.
Features
1. Reduce the opening and closing torque of the valve, and the opening and closing speed is very fast;
2. The friction coefficient between the sealing surface of the valve body and the butterfly plate is small, which reduces the wear of the sealing surface and extends the service life of the valve.
Technical Drawing

Dimension Checking

Pressure Testing

Painting

Nameplate & Packing

Inspection report




Products
Butterfly Valve
Back to List



