MSS SP-81 Rising Stem Knife Gate Valve, 16 Inch, 150 LB, WCB

Key Specifications / Features
We Provide MSS SP-81 Rising Stem Knife Gate Valves, Rising Stem Knife Gate Valves, MSS SP-81, 16 Inch, 150 LB, ASTM A216 WCB, Bevel Gear Operation.
- Hits: 7
- Categories: Gate Valve
- Tags: ASTM A216 WCB Gate Valve , Rising Stem Gate Valve , 16 Inch Gate Valve
Detail Information
16" 150 LB Rising Stem Knife Gate Valve WCB MSS SP-81
Introduction
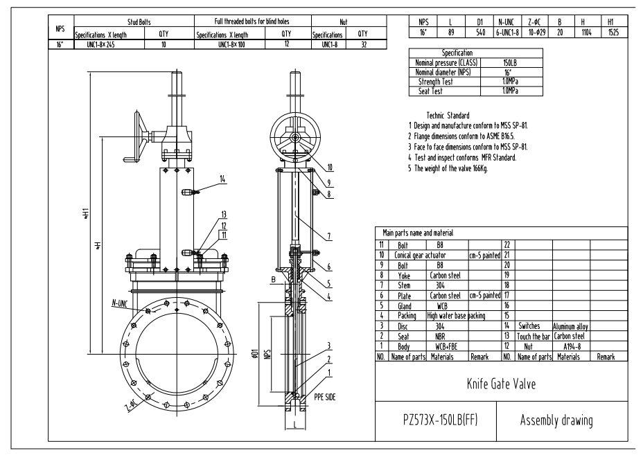
16" 150LB knife gate valve is made according to MSS SP-81 standard. The valve body is made of WCB. It has the structural characteristics of a bolt cover, and rising stem, with a flow direction indicator and a structural length of 89mm. FBE200 micron inside and outside the valve body and the valve is equipped with a limit switch. Its connection mode is Flange FF. And it has bevel gear operation mode.
Features
1. The valve can be controlled locally and remotely;
2. Light weight, convenient installation and maintenance, high corrosion resistance and good wear resistance.
Technical Drawing

Dimension Checking

Pressure Testing

Painting Check

Nameplate & Packing

Inspection report



Introduction
16" 150LB knife gate valve is made according to MSS SP-81 standard. The valve body is made of WCB. It has the structural characteristics of a bolt cover, and rising stem, with a flow direction indicator and a structural length of 89mm. FBE200 micron inside and outside the valve body and the valve is equipped with a limit switch. Its connection mode is Flange FF. And it has bevel gear operation mode.
Features
1. The valve can be controlled locally and remotely;
2. Light weight, convenient installation and maintenance, high corrosion resistance and good wear resistance.
Technical Drawing

Dimension Checking

Pressure Testing

Painting Check

Nameplate & Packing

Inspection report






