EN 12516 Globe Valve, 2 Inch, DN50, PN40, ASTM A216 WCB, RF

Key Specifications / Features
We Provide EN 12516 Globe Valves, Three-way Globe Valves, Cast Steel ASTM A216 WCB, 2 Inch, DN50, PN40, EN 12516, RF End, and Handwheel Operation.
- Hits: 4
- Categories: Globe Valve
- Tags: 2 Inch Globe Valve , DN50 Globe Valve , PN40 Globe Valve
Detail Information
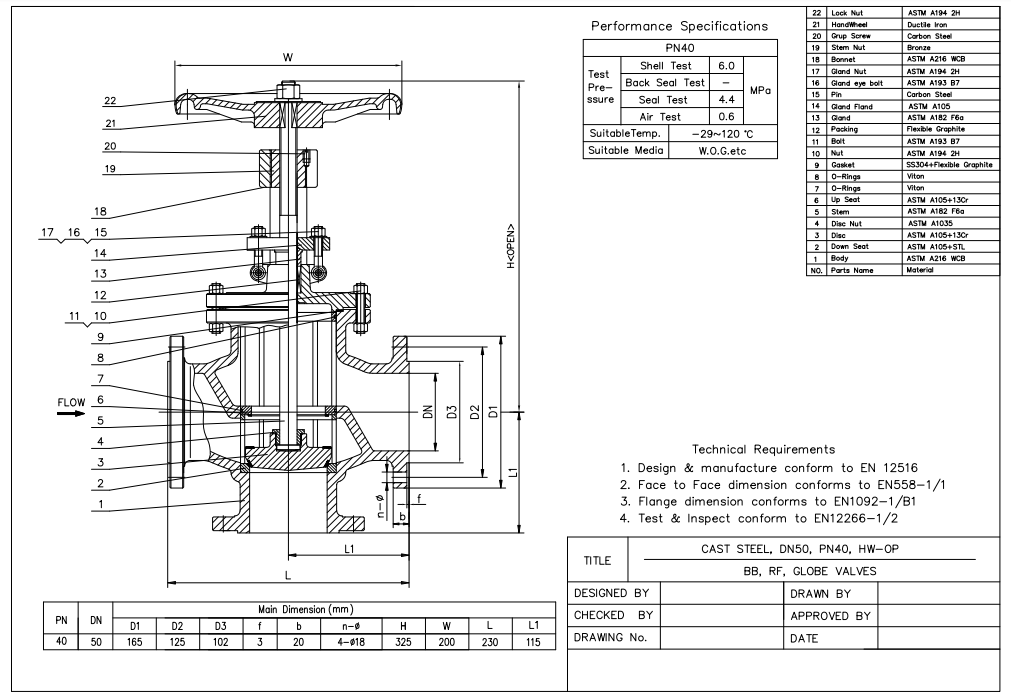
DN50 PN40 Cast Steel Globe Valve WCB RF EN12516
Introduction
DN50 PN40 globe valve is made according to EN12516 standards. The valve body is made of WCB. It has the structural characteristics of a three-way form. Its connection mode is RF. And it has hand wheel operation mode.
Features
1. High stability and good sealing performance;
2. Wear resistance, high-temperature resistance, corrosion resistance, good scratch resistance and long service life.
Technical Drawing

Dimension Checking

Pressure Testing

Nameplate & Packing

Inspection report




Introduction
DN50 PN40 globe valve is made according to EN12516 standards. The valve body is made of WCB. It has the structural characteristics of a three-way form. Its connection mode is RF. And it has hand wheel operation mode.
Features
1. High stability and good sealing performance;
2. Wear resistance, high-temperature resistance, corrosion resistance, good scratch resistance and long service life.
Technical Drawing

Dimension Checking

Pressure Testing

Nameplate & Packing

Inspection report




Products
Globe Valve
Back to List



