EN 10213 Globe Valve, 1.0619, DN100, PN40, BS EN 13709

Key Specifications / Features
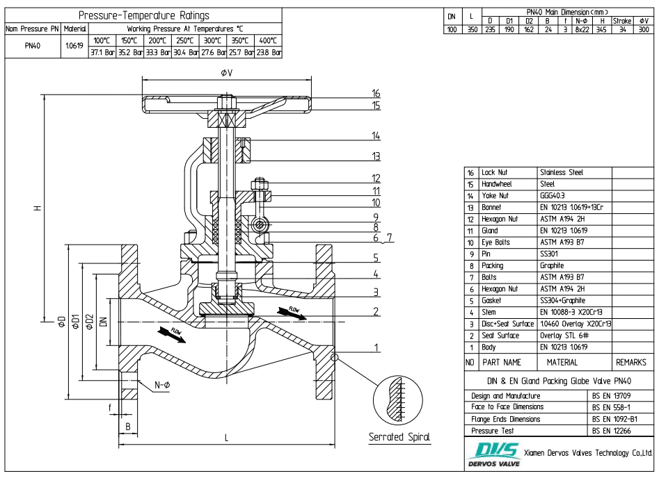
DN100 PN40 globe valve is made according to BS EN 13709 standard. The valve body is made of EN 10213 1.0619. It has the structural characteristics of bolt cover, rising stem and single disc. Its connection mode is RF. And it has hand wheel operation mode.
- Hits: 13
- Categories: Globe Valve
- Tags: DN100 Globe Valve , PN40 Globe Valve , EN 13709 Globe Valve
Detail Information
EN 13709 Globe valve RF Connection DN100 PN40 Body 1.0619
Features
1. Simple structure, convenient manufacturing and maintenance, small working stroke, and short opening and closing time;
2. Good sealing performance, low friction between sealing surfaces, and long service life.
Technical Drawing

Dimension Checking

Pressure Testing

Painting

Nameplate & Packing

Inspection report




Features
1. Simple structure, convenient manufacturing and maintenance, small working stroke, and short opening and closing time;
2. Good sealing performance, low friction between sealing surfaces, and long service life.
Technical Drawing

Dimension Checking

Pressure Testing

Painting

Nameplate & Packing

Inspection report




Products
Globe Valve
Back to List



