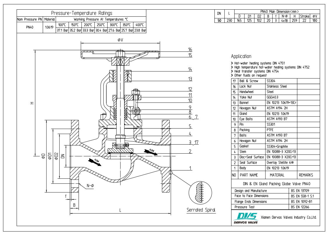
BS EN 13709 Globe Valve, EN 10213 1.0619, DN50, PN40, Flanged

Key Specifications / Features
The DN50 PN40 cast steel globe valve is manufactured in compliance with BS EN 13709 standards, featuring an EN 10213 1.0619 cast steel body for durability and strength. It is designed with a flat valve disc and a welded valve seat, ensuring reliable sealing and performance. The valve is equipped with EN 1092-1 B flanged connections for secure installation, and it operates through a handwheel for precise flow control. This valve is an ideal solution for various industrial applications requiring high performance and durability.
- Model No.: Kelly-GLV-20240927-02
- Hits: 11
- Categories: Globe Valve
Detail Information
On this page
EN 10213 1.0619 Cast Steel Globe Valve, DN50, PN40, BS EN 13709 Design.1. The valve disc and seat of the valve are usually precision machined, with good sealing performance, which can effectively prevent leakage and extend the service life.
2. When the cast steel globe valve is fully open, fluid can pass smoothly with relatively low fluid resistance, which is beneficial for improving the flow efficiency of the system.







2. When the cast steel globe valve is fully open, fluid can pass smoothly with relatively low fluid resistance, which is beneficial for improving the flow efficiency of the system.







